—
—
Крепеж для труб
Станки для РВД и трубРукава высокого давления - РВДРВД фитинги и муфтыПромышленные шланги и рукаваФитинги для рукавов промышленныхТермопластиковые рукава и трубкиФторопластовые рукаваФитинги для PTFE и термопластиковых шланговШланги сверхвысокого давленияШланги низкого давления Push LokАдаптеры и соединения для трубПоворотные соединения для труб и РВДВвертные и обратные клапаныГидравлические быстроразъемные соединения (БРС)Нержавеющие РВД фитингиМногоразовые резьбовые фитингиПластиковая и текстильна защита РВДАвтомобильные шлангиФитинги для автомобильных шланговШланги для буровых установокТрубки для гидравлических системРукава для гидроразрываЗаглушки для фитингов пластиковыеОборудование для прочистки рукавов и трубопроводовУплотненияКрепеж для трубКраны шаровые запорныеИнтернет-партнерствоТестирование гидравлических системСистемы удерживания и хомуты для РВДОборудование смазочно-раздаточноеРазный инструмент для РВД
—
—
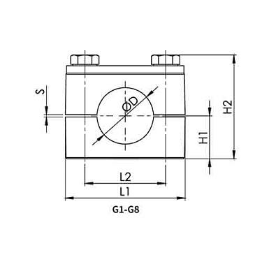
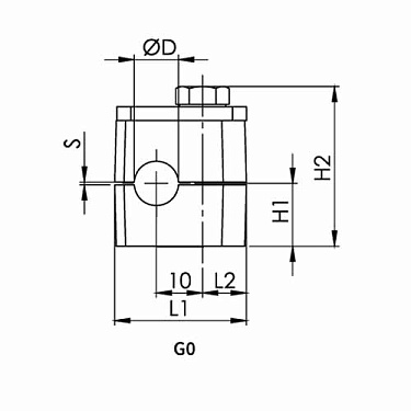
Крепеж для труб одинарный
Крепеж для труб одинарный








Крепеж для труб, материал - полипропилен
Полипропиленовый крепеж для труб изготавливаются с 1 болтом или 2 болтами.
Ширина крепежей 30 мм.
Нужна консультация?
Наши специалисты ответят
на любой интересующий вопрос
Технические характеристики товара могут отличаться от указанных на сайте, уточняйте технические характеристики товара на момент покупки и оплаты.
Вся информация на сайте о товарах носит справочный характер и не является публичной офертой в соответствии с пунктом 2 статьи 437 ГК РФ.
Внимание!
Для просмотра документов необходимо зарегистрироваться или авторизоваться
Подробные характеристики о товаре Крепеж для труб, материал - полипропилен
Нужна консультация?
Наши специалисты ответят
на любой интересующий вопрос
С этим товаром покупают

Артикул:
VS-06х1.0-oiled-caps
VS-06х1.0-oiled-caps
Наименование
Трубка 06х1.0 Oil E235+N EN10305-1
OD (мм)
6
толщина стенки (мм)
1
Вес, кг/м
0,12
VS-06х1.5-oiled-caps
Наименование
Трубка 06х1.5 Oil E235+N EN10305-1
OD (мм)
6
толщина стенки (мм)
1,5
Вес, кг/м
0,17
VS-08х1.0-oiled-caps
Наименование
Трубка 08х1.0 Oil E235+N EN10305-1
OD (мм)
8
толщина стенки (мм)
1
Вес, кг/м
0,17
VS-08х1.5-oiled-caps
Наименование
Трубка 08х1.5 Oil E235+N EN10305-1
OD (мм)
8
толщина стенки (мм)
1,5
Вес, кг/м
0,24
VS-10х1.0-oiled-caps
Наименование
Трубка 10х1.0 Oil E235+N EN10305-1
OD (мм)
10
толщина стенки (мм)
1
Вес, кг/м
0,22
VS-10х1.5-oiled-caps
Наименование
Трубка 10х1.5 Oil E235+N EN10305-1
OD (мм)
10
толщина стенки (мм)
1,5
Вес, кг/м
0,31
VS-12х1.0-oiled-caps
Наименование
Трубка 12х1.0 Oil E235+N EN10305-1
OD (мм)
12
толщина стенки (мм)
1
Вес, кг/м
0,27
VS-12х1.5-oiled-caps
Наименование
Трубка 12х1.5 Oil E235+N EN10305-1
OD (мм)
12
толщина стенки (мм)
1,5
Вес, кг/м
0,39
VS-12х2.0-oiled-caps
Наименование
Трубка 12х2.0 Oil E235+N EN10305-1
OD (мм)
12
толщина стенки (мм)
2
Вес, кг/м
0,49
VS-14х1.5-oiled-caps
Наименование
Трубка 14х1.5 Oil E235+N EN10305-1
OD (мм)
14
толщина стенки (мм)
1,5
Вес, кг/м
0,46
VS-15х1.5-oiled-caps
Наименование
Трубка 15х1.5 Oil E235+N EN10305-1
OD (мм)
15
толщина стенки (мм)
1,5
Вес, кг/м
0,5
VS-15х2.0-oiled-caps
Наименование
Трубка 15х2.0 Oil E235+N EN10305-1
OD (мм)
15
толщина стенки (мм)
2
Вес, кг/м
0,64
VS-16х1.5-oiled-caps
Наименование
Трубка 16х1.5 Oil E235+N EN10305-1
OD (мм)
16
толщина стенки (мм)
1,5
Вес, кг/м
0,53
VS-16х2.0-oiled-caps
Наименование
Трубка 16х2.0 Oil E235+N EN10305-1
OD (мм)
16
толщина стенки (мм)
2
Вес, кг/м
0,69
VS-18х1.5-oiled-caps
Наименование
Трубка 18х1.5 Oil E235+N EN10305-1
OD (мм)
18
толщина стенки (мм)
1,5
Вес, кг/м
0,61
VS-18х2.0-oiled-caps
Наименование
Трубка 18х2.0 Oil E235+N EN10305-1
OD (мм)
18
толщина стенки (мм)
2
Вес, кг/м
0,79
VS-20х2.0-oiled-caps
Наименование
Трубка 20х2.0 Oil E235+N EN10305-1
OD (мм)
20
толщина стенки (мм)
2
Вес, кг/м
0,89
VS-22х2.0-oiled-caps
Наименование
Трубка 22х2.0 Oil E235+N EN10305-1
OD (мм)
22
толщина стенки (мм)
2
Вес, кг/м
0,99
VS-25х2.0-oiled-caps
Наименование
Трубка 25х2.0 Oil E235+N EN10305-1
OD (мм)
25
толщина стенки (мм)
2
Вес, кг/м
1,13
VS-25х2.5-oiled-caps
Наименование
Трубка 25х2.5 Oil E235+N EN10305-1
OD (мм)
25
толщина стенки (мм)
2,5
Вес, кг/м
1,39
VS-25х3.0-oiled-caps
Наименование
Трубка 25х3.0 Oil E235+N EN10305-1
OD (мм)
25
толщина стенки (мм)
3
Вес, кг/м
1,63
VS-28х1.5-oiled-caps
Наименование
Трубка 28х1.5 Oil E235+N EN10305-1
OD (мм)
28
толщина стенки (мм)
1,5
Вес, кг/м
0,98
VS-28х2.0-oiled-caps
Наименование
Трубка 28х2.0 Oil E235+N EN10305-1
OD (мм)
28
толщина стенки (мм)
2
Вес, кг/м
1,28
VS-28х2.5-oiled-caps
Наименование
Трубка 28х2.5 Oil E235+N EN10305-1
OD (мм)
28
толщина стенки (мм)
2,5
Вес, кг/м
1,57
VS-28х3.0-oiled-caps
Наименование
Трубка 28х3.0 Oil E235+N EN10305-1
OD (мм)
28
толщина стенки (мм)
3
Вес, кг/м
1,85
VS-30х3.0-oiled-caps
Наименование
Трубка 30х3.0 Oil E235+N EN10305-1
OD (мм)
30
толщина стенки (мм)
3
Вес, кг/м
1,99
VS-30х4.0-oiled-caps
Наименование
Трубка 30х4.0 Oil E235+N EN10305-1
OD (мм)
30
толщина стенки (мм)
4
Вес, кг/м
2,56
VS-35х3.0-oiled-caps
Наименование
Трубка 35х3.0 Oil E235+N EN10305-1
OD (мм)
35
толщина стенки (мм)
3
Вес, кг/м
2,37
VS-36х4.0-oiled-caps
Наименование
Трубка 36х4.0 Oil E235+N EN10305-1
OD (мм)
36
толщина стенки (мм)
4
Вес, кг/м
3,16
VS-38х2.0-oiled-caps
Наименование
Трубка 38х2.0 Oil E235+N EN10305-1
OD (мм)
38
толщина стенки (мм)
2
Вес, кг/м
1,77
VS-38х4.0-oiled-caps
Наименование
Трубка 38х4.0 Oil E235+N EN10305-1
OD (мм)
38
толщина стенки (мм)
4
Вес, кг/м
3,35
Склад:
нет
Резерв:
нет
193.20 руб. / метр

Артикул:
VS-06х1.0-Ph-caps
VS-06х1.0-Ph-caps
Наименование
Трубка 06х1.0 Ph E235 EN10305-4
OD (мм)
6
толщина стенки (мм)
1
Вес, кг/м
0,12
VS-06х1.5-Ph-caps
Наименование
Трубка 06х1.5 Ph E235 EN10305-4
OD (мм)
6
толщина стенки (мм)
1,5
Вес, кг/м
0,17
VS-08х1.0-Ph-caps
Наименование
Трубка 08х1.0 Ph E235 EN10305-4
OD (мм)
8
толщина стенки (мм)
1
Вес, кг/м
0,17
VS-08х1.5-Ph-caps
Наименование
Трубка 08х1.5 Ph E235 EN10305-4
OD (мм)
8
толщина стенки (мм)
1,5
Вес, кг/м
0,24
VS-10х1.0-Ph-caps
Наименование
Трубка 10х1.0 Ph E235 EN10305-4
OD (мм)
10
толщина стенки (мм)
1
Вес, кг/м
0,22
VS-10х1.5-Ph-caps
Наименование
Трубка 10х1.5 Ph E235 EN10305-4
OD (мм)
10
толщина стенки (мм)
1,5
Вес, кг/м
0,31
VS-12х1.0-Ph-caps
Наименование
Трубка 12х1.0 Ph E235 EN10305-4
OD (мм)
12
толщина стенки (мм)
1
Вес, кг/м
0,27
VS-12х1.5-Ph-caps
Наименование
Трубка 12х1.5 Ph E235 EN10305-4
OD (мм)
12
толщина стенки (мм)
1,5
Вес, кг/м
0,39
VS-12х2.0-Ph-caps
Наименование
Трубка 12х2.0 Ph E235 EN10305-4
OD (мм)
12
толщина стенки (мм)
2
Вес, кг/м
0,49
VS-14х1.5-Ph-caps
Наименование
Трубка 14х1.5 Ph E235 EN10305-4
OD (мм)
14
толщина стенки (мм)
1,5
Вес, кг/м
0,46
VS-15х1.5-Ph-caps
Наименование
Трубка 15х1.5 Ph E235 EN10305-4
OD (мм)
15
толщина стенки (мм)
1,5
Вес, кг/м
0,5
VS-15х2.0-Ph-caps
Наименование
Трубка 15х2.0 Ph E235 EN10305-4
OD (мм)
15
толщина стенки (мм)
2
Вес, кг/м
0,64
VS-16х2.0-Ph-caps
Наименование
Трубка 16х2.0 Ph E235 EN10305-4
OD (мм)
16
толщина стенки (мм)
2
Вес, кг/м
0,69
VS-18х1.5-Ph-caps
Наименование
Трубка 18х1.5 Ph E235 EN10305-4
OD (мм)
18
толщина стенки (мм)
1,5
Вес, кг/м
0,61
VS-18х2.0-Ph-caps
Наименование
Трубка 18х2.0 Ph E235 EN10305-4
OD (мм)
18
толщина стенки (мм)
2
Вес, кг/м
0,79
VS-20х2.0-Ph-caps
Наименование
Трубка 20х2.0 Ph E235 EN10305-4
OD (мм)
20
толщина стенки (мм)
2
Вес, кг/м
0,89
VS-20х2.5-Ph-caps
Наименование
Трубка 20х2.5 Ph E235 EN10305-4
OD (мм)
20
толщина стенки (мм)
2,5
Вес, кг/м
1,08
VS-22х2.0-Ph-caps
Наименование
Трубка 22х2.0 Ph E235 EN10305-4
OD (мм)
22
толщина стенки (мм)
2
Вес, кг/м
0,99
VS-25х2.0-Ph-caps
Наименование
Трубка 25х2.0 Ph E235 EN10305-4
OD (мм)
25
толщина стенки (мм)
2
Вес, кг/м
1,13
VS-25х2.5-Ph-caps
Наименование
Трубка 25х2.5 Ph E235 EN10305-4
OD (мм)
25
толщина стенки (мм)
2,5
Вес, кг/м
1,39
VS-25х3.0-Ph-caps
Наименование
Трубка 25х3.0 Ph E235 EN10305-4
OD (мм)
25
толщина стенки (мм)
3
Вес, кг/м
1,63
VS-28х1.5-Ph-caps
Наименование
Трубка 28х1.5 Ph E235 EN10305-4
OD (мм)
28
толщина стенки (мм)
1,5
Вес, кг/м
0,98
VS-28х2.0-Ph-caps
Наименование
Трубка 28х2.0 Ph E235 EN10305-4
OD (мм)
28
толщина стенки (мм)
2
Вес, кг/м
1,28
VS-28х2.5-Ph-caps
Наименование
Трубка 28х2.5 Ph E235 EN10305-4
OD (мм)
28
толщина стенки (мм)
2,5
Вес, кг/м
1,57
VS-28х3.0-Ph-caps
Наименование
Трубка 28х3.0 Ph E235 EN10305-4
OD (мм)
28
толщина стенки (мм)
3
Вес, кг/м
1,85
VS-30х3.0-Ph-caps
Наименование
Трубка 30х3.0 Ph E235 EN10305-4
OD (мм)
30
толщина стенки (мм)
3
Вес, кг/м
1,99
VS-35х3.0-Ph-caps
Наименование
Трубка 35х3.0 Ph E235 EN10305-4
OD (мм)
35
толщина стенки (мм)
3
Вес, кг/м
2,37
VS-36х4.0-Ph-caps
Наименование
Трубка 36х4.0 Ph E235 EN10305-4
OD (мм)
36
толщина стенки (мм)
4
Вес, кг/м
3,16
VS-38х2.0-Ph-caps
Наименование
Трубка 38х2.0 Ph E235 EN10305-4
OD (мм)
38
толщина стенки (мм)
2
Вес, кг/м
1,77
VS-38х4.0-Ph-caps
Наименование
Трубка 38х4.0 Ph E235 EN10305-4
OD (мм)
38
толщина стенки (мм)
4
Вес, кг/м
3,35
Склад:
нет
Резерв:
нет
198.95 руб. / метр

Артикул:
VS-06х1.0-Zn
VS-06х1.0-Zn
Наименование
Трубка 06х1.0 Zn E235 EN10305-4
OD (мм)
6
толщина стенки (мм)
1
Вес, кг/м
0,12
VS-06х1.5-Zn
Наименование
Трубка 06х1.5 Zn E235 EN10305-4
OD (мм)
6
толщина стенки (мм)
1,5
Вес, кг/м
0,17
VS-06х2.0-Zn
Наименование
Трубка 06х2.0 Zn E235 EN10305-4
OD (мм)
6
толщина стенки (мм)
2
Вес, кг/м
0,2
VS-08х1.0-Zn
Наименование
Трубка 08х1.0 Zn E235 EN10305-4
OD (мм)
8
толщина стенки (мм)
1
Вес, кг/м
0,17
VS-08х1.5-Zn
Наименование
Трубка 08х1.5 Zn E235 EN10305-4
OD (мм)
8
толщина стенки (мм)
1,5
Вес, кг/м
0,24
VS-10х1.0-Zn
Наименование
Трубка 10х1.0 Zn E235 EN10305-4
OD (мм)
10
толщина стенки (мм)
1
Вес, кг/м
0,22
VS-10х1.5-Zn
Наименование
Трубка 10х1.5 Zn E235 EN10305-4
OD (мм)
10
толщина стенки (мм)
1,5
Вес, кг/м
0,31
VS-12х1.0-Zn
Наименование
Трубка 12х1.0 Zn E235 EN10305-4
OD (мм)
12
толщина стенки (мм)
1
Вес, кг/м
0,27
VS-12х1.5-Zn
Наименование
Трубка 12х1.5 Zn E235 EN10305-4
OD (мм)
12
толщина стенки (мм)
1,5
Вес, кг/м
0,39
VS-12х2.0-Zn
Наименование
Трубка 12х2.0 Zn E235 EN10305-4
OD (мм)
12
толщина стенки (мм)
2
Вес, кг/м
0,49
VS-14х1.5-Zn
Наименование
Трубка 14х1.5 Zn E235 EN10305-4
OD (мм)
14
толщина стенки (мм)
1,5
Вес, кг/м
0,46
VS-15х1.5-Zn
Наименование
Трубка 15х1.5 Zn E235 EN10305-4
OD (мм)
15
толщина стенки (мм)
1,5
Вес, кг/м
0,5
VS-15х2.0-Zn
Наименование
Трубка 15х2.0 Zn E235 EN10305-4
OD (мм)
15
толщина стенки (мм)
2
Вес, кг/м
0,64
VS-16х1.5-Zn
Наименование
Трубка 16х1.5 Zn E235 EN10305-4
OD (мм)
16
толщина стенки (мм)
1,5
Вес, кг/м
0,54
VS-16х2.0-Zn
Наименование
Трубка 16х2.0 Zn E235 EN10305-4
OD (мм)
16
толщина стенки (мм)
2
Вес, кг/м
0,69
VS-18х1.5-Zn
Наименование
Трубка 18х1.5 Zn E235 EN10305-4
OD (мм)
18
толщина стенки (мм)
1,5
Вес, кг/м
0,61
VS-18х2.0-Zn
Наименование
Трубка 18х2.0 Zn E235 EN10305-4
OD (мм)
18
толщина стенки (мм)
2
Вес, кг/м
0,79
VS-20х2.0-Zn
Наименование
Трубка 20х2.0 Zn E235 EN10305-4
OD (мм)
20
толщина стенки (мм)
2
Вес, кг/м
0,89
VS-20х2.5-Zn
Наименование
Трубка 20х2.5 Zn E235 EN10305-4
OD (мм)
20
толщина стенки (мм)
2,5
Вес, кг/м
1,08
VS-20х3.0-Zn
Наименование
Трубка 20х3.0 Zn E235 EN10305-4
OD (мм)
20
толщина стенки (мм)
3
Вес, кг/м
1,26
VS-22х1.5-Zn
Наименование
Трубка 22х1.5 Zn E235 EN10305-4
OD (мм)
22
толщина стенки (мм)
1,5
Вес, кг/м
0,76
VS-22х2.0-Zn
Наименование
Трубка 22х2.0 Zn E235 EN10305-4
OD (мм)
22
толщина стенки (мм)
2
Вес, кг/м
0,99
VS-22х2.5-Zn
Наименование
Трубка 22х2.5 Zn E235 EN10305-4
OD (мм)
25
толщина стенки (мм)
2,5
Вес, кг/м
1,2
VS-25х2.0-Zn
Наименование
Трубка 25х2.0 Zn E235 EN10305-4
OD (мм)
25
толщина стенки (мм)
2
Вес, кг/м
1,13
VS-25х2.5-Zn
Наименование
Трубка 25х2.5 Zn E235 EN10305-4
OD (мм)
25
толщина стенки (мм)
2,5
Вес, кг/м
1,39
VS-25х3.0-Zn
Наименование
Трубка 25х3.0 Zn E235 EN10305-4
OD (мм)
25
толщина стенки (мм)
3
Вес, кг/м
1,63
VS-25х4.0-Zn
Наименование
Трубка 25х4.0 Zn E235 EN10305-4
OD (мм)
25
толщина стенки (мм)
4
Вес, кг/м
2,07
VS-28х1.5-Zn
Наименование
Трубка 28х1.5 Zn E235 EN10305-4
OD (мм)
28
толщина стенки (мм)
1,5
Вес, кг/м
0,98
VS-28х2.0-Zn
Наименование
Трубка 28х2.0 Zn E235 EN10305-4
OD (мм)
28
толщина стенки (мм)
2
Вес, кг/м
1,28
VS-28х2.5-Zn
Наименование
Трубка 28х2.5 Zn E235 EN10305-4
OD (мм)
28
толщина стенки (мм)
2,5
Вес, кг/м
1,57
VS-28х3.0-Zn
Наименование
Трубка 28х3.0 Zn E235 EN10305-4
OD (мм)
28
толщина стенки (мм)
3
Вес, кг/м
1,85
VS-30х2.0-Zn
Наименование
Трубка 30х2.0 Zn E235 EN10305-4
OD (мм)
30
толщина стенки (мм)
2
Вес, кг/м
1,38
VS-30х3.0-Zn
Наименование
Трубка 30х3.0 Zn E235 EN10305-4
OD (мм)
30
толщина стенки (мм)
3
Вес, кг/м
1,99
VS-30х4.0-Zn
Наименование
Трубка 30х4.0 Zn E235 EN10305-4
OD (мм)
30
толщина стенки (мм)
4
Вес, кг/м
2,57
VS-32х2.0-Zn
Наименование
Трубка 32х2.0 Zn E235 EN10305-4
OD (мм)
32
толщина стенки (мм)
2
Вес, кг/м
1,48
VS-32х3.0-Zn
Наименование
Трубка 32х3.0 Zn E235 EN10305-4
OD (мм)
32
толщина стенки (мм)
3
Вес, кг/м
1,9
VS-35х3.0-Zn
Наименование
Трубка 35х3.0 Zn E235 EN10305-4
OD (мм)
35
толщина стенки (мм)
3
Вес, кг/м
2,37
VS-36х4.0-Zn
Наименование
Трубка 36х4.0 Zn E235 EN10305-4
OD (мм)
36
толщина стенки (мм)
4
Вес, кг/м
3,16
VS-38х2.0-Zn
Наименование
Трубка 38х2.0 Zn E235 EN10305-4
OD (мм)
38
толщина стенки (мм)
2
Вес, кг/м
1,77
VS-38х4.0-Zn
Наименование
Трубка 38х4.0 Zn E235 EN10305-4
OD (мм)
38
толщина стенки (мм)
4
Вес, кг/м
3,35
VS-38х5.0-Zn
Наименование
Трубка 38х5.0 Zn E235 EN10305-4
OD (мм)
38
толщина стенки (мм)
5
Вес, кг/м
4,1
VS-42х2.0-Zn
Наименование
Трубка 42х2.0 Zn E235 EN10305-4
OD (мм)
42
толщина стенки (мм)
2
Вес, кг/м
2,75
VS-42х3.0-Zn
Наименование
Трубка 42х3.0 Zn E235 EN10305-4
OD (мм)
42
толщина стенки (мм)
3
Вес, кг/м
2,9
VS-42х4.0-Zn
Наименование
Трубка 42х4.0 Zn E235 EN10305-4
OD (мм)
42
толщина стенки (мм)
4
Вес, кг/м
3,75
Склад:
много
Резерв:
мало
118.75 руб. / метр
Запрос цены
Нужна консультация?